GN 7404-AL
GN 7404
Membrane za ventilaciju/odzračivanje
78711-R,20
78710-R,10
78712-R,50
GN 300-30-B5-SW,60
GN 612-5-M12x1,5-A,40
DIN 172-B10,5-20-A,50
ISO 8675-M8x1-04-BT,10
Kućište
Membrana
Poliamidno runo, netkano / vlaženje akrilnog kopolimera
Membranski okvir
Plastika (poliamid PA)
Zaštitno sito
Nerđajući čelik, AISI 304
Zaptivka / O-prsten
Guma NBR (Perbunan ®)
Membrane za ventilaciju/odzračivanje GN 7404 koriste se u izradi kućišta i uređaja. Ugrađeni u zid kućišta, omogućavaju izjednačavanje pritiska između unutrašnjosti kućišta i okoline.
Zadržavaju se moguće čestice prljavštine i prašine, koje uglavnom nosi gasoviti medijum, kao i kapljice ulja i vode. Ovo štiti od zaprljanja unutrašnjosti uređaja od zaprljanja i vlažnosti i sprečava da npr. kapljice ulja dospeju u okolinu.
Radi zaštite membrana, potrebno je izbegavati potpuno prekrivanje membrane uljem ili vodom, kao i prekoračenje diferencijalnog pritiska/zapremine prolaza vazduha. Poželjna je ugradnja u zaštićenom položaju sa strane/vertikalno.
Spoljašnji prečnik kućišta sa pomerenim šestouglom je prilagođen otvorima za zavrtanje za cevne vijčane spojeve DIN 3852.
Zaptivka je ugrađena u žleb na ravnoj strani. Tako se ne može izgubiti i ne može da se istisne pri pritezanju.
Napomena o montaži: Kod debljine zida ispod 4 mm, koristite sledeće zatezne navrtke GN 7430.
Membrane se sastoje od poliamidnog runa kao materijala nosača, koji ima potpuno neuređenu strukturu. Male membranske pore se stvaraju impregnacijom sa akrilnim kopolimerom, koji potpuno vlaži vlakna runa, ali ne popunjava praznine u runu.
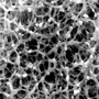
Tokom proizvodnje, parametri materijala i procesa utiču na veličinu pora, koja je između 0,2 i 10 µm. Kvalitet membrane se može utvrditi pomoću „porometrije“, postupka ocenjivanja koji, između ostalog, procenjuje raspodelu veličine membranskih pora i propustljivost vazduha. Da bi se ovo ilustrovalo, slika pod mikroskopom kroz poprečni presek membrane prikazana je na desnoj strani.
Za poređenje: Sita mogu da se proizvodu na ekonomičan način tek od širine mašine od najmanje 50 µm.
Membrana, mikrograf, uvećanje 2000 puta
Zbog materijala i njihove površinske strukture, membrane odbijaju ulje i vodu, tako da voda ili kapi ulja ne mogu da navlaže površinu membrane. Svojstvo odbijanja je podržano bočnim, vertikalnim položajem ugradnje.
Ako se membrana prekrije u izuzetnim slučajevima, male količine ulje ili vode mogu da se pritisnu kroz membranu prilikom usled odgovarajućeg diferencijalnog pritiska. Ako se prekrivka cele površine ponovo podigne, ulje ili voda će skliznuti i funkcija membrane se potpuno obnavlja nakon kapanja.
Za praktičnu primenu membrana, važna je maksimalna zapremina prolaza vazduha, maksimalna razlika pritiska i maksimalni nominalni radni pritisak ili pritisak pucanja. Zapremina prolaza vazduha koja se može postići zavisi linearno od diferencijalnog pritiska, koji ne bi trebalo da prelazi 1 bar.
Termičko - Membranski prostor ograničava maks. temperaturu primene na 100 °C. Sama membrana je otporna na temperature od maks. 150 °C.
Hemijski - Membrane su otporne na širok spektar hemijskih supstanci koje se često koriste u mašinstvu i automobilskom inženjerstvu, kao što su ulja, goriva, organski rastvarači i alkohol itd. Ukoliko imate nedoumice, treba sprovesti test podnošljivosti.
Vaš zahtev je poslat i biće obrađen u najkraćem mogućem roku.